فئة
فئات المنتجات

تفاصيل المنتج
نظرة عامة
يُستخدم هذا المنتج بشكل رئيسي لاتصالات القضبان في محولات الأوتار داخل أنظمة توليد الطاقة الكهروضوئية المركزية المتصلة بالشبكة. يتم توصيله بين محول الأوتار المتصل بالشبكة وخزانة القياس المتصلة بالشبكة. يتميز المنتج بحماية مدخلية من الصواعق وحماية من التيار الزائد للنظام. كما يقلل استخدامه من الحاجة إلى نقل كابلات طويلة المدى بشكل مكثف، مما يخفض التكاليف ويحسن كفاءة النظام للمستخدمين. وقد حصل المنتج على شهادات قياسية صناعية بما في ذلك شهادة CCC، وشهادة CE، وشهادة نظام إدارة الجودة ISO 9001.
الميزات الرئيسية
تستخدم جميع المكونات علامات تجارية مشهورة محليًا وعالميًا حاصلة على شهادات معتمدة وبمؤهلات كاملة. كما أن الأجزاء الداخلية الحية والمكشوفة محمية بألواح غطاء شفافة مقاومة للهب ومكافحة للكهرباء الساكنة ومقاومة لدرجات الحرارة العالية. يتم تركيب قواطع الدوائر الكهربائية الواردة والصادرة بشكل عمودي وتُوضع بشكل مسطح داخل الغلاف، مع مراعاة توصيل الأسلاك واحدًا تلو الآخر لمنع التوصيل الخاطئ. تستخدم القضبان الموصلة وصلات نحاسية مع معالجة طلاء القصدير المضادة للتآكل والأكسدة. كما تعتمد كل خط من خطوط الطور على ترميز ألوان قياسي يضمن الوضوح التام. نظام مراقبة ذكي اختياري (جهد النظام، تيار القضبان، حالة المفاتيح، حالة حماية الصواعق)؛ مناسب لمختلف مستويات الجهد الصناعي: 380 فولت متردد، 480 فولت متردد، 540 فولت متردد؛ تصميم غطاء مقاوم للمطر لتثبيته في الأماكن الخارجية. يدعم التخصيص وفق المتطلبات والوظائف الخاصة.
المعلمات التقنية الرئيسية
|
نموذج المنتج |
FLX-AC |
|
تصنيفات طاقة محولات السلاسل الشائعة |
5، 10، 15، 20، 25، 30، 40، 50، 60، 80، 100، 110، 125، 175 كيلوواط |
|
عدد قنوات إدخال العاكس |
1~N قنوات (قابلة للتخصيص) |
|
إجمالي قنوات الإخراج لجهاز التكييف |
1 channel |
|
متطلبات القضبان الكهربائية |
قضيب ناقل أحادي الطور، ثلاثي الأطوار |
|
جهد النظام (اختياري) |
AC: 220 فولت، AC: 380 فولت، AC: 540 فولت، AC: 800 فولت |
|
قدرة قاطع الدائرة الفرعية (اختياري) |
32A، 63A، 80A، 100A، 125A، 160A، 200A، 250A، 400A، 630A، 800A |
|
تبديل العلامة التجارية (اختياري) |
نيكولاس، ديليكس، تشينت، تشانغشو، إيه بي بي، شنايدر |
|
وظائف الحماية |
|
|
حماية الدائرة القصيرة |
نعم |
|
حماية من التحميل الزائد |
نعم |
|
حماية من الصواعق |
نعم (التيار الاسمي: In: 20 كيلو أمبير، Imax: 40 كيلو أمبير، l Up≤ 4 كيلو فولت) |
|
حماية ضد فشل حماية الصواعق |
نعم |
|
الملاءمة البيئية |
|
|
درجة الحرارة، الرطوبة |
درجة حرارة التشغيل: من -25 إلى +60°C درجة حرارة التخزين: من -40 إلى +70°C الرطوبة: 0-90% (بدون تكثف، ولا غازات متآكلة أو زيتية؛ يُرجى التحديد في حال وجودها) |
|
نموذج المنتج |
FLX-AC |
|
معايير السلامة |
|
|
اختيار قضبان النحاس |
شريط نحاسي نقي (مطلي بالقصدير بدرجة صناعية) |
|
حماية السلامة |
غطاء وقاية من البولي فينيل كلوريد |
|
التسوية الكهربائية |
≥14mm |
|
المسافة الانزلاقية |
≥25mm |
|
مقاومة العزل |
>20 ميجا أوم |
|
جهد العزل |
AC3000 فولت، 1 دقيقة |
|
المعلمات التقليدية |
|
|
مادة التغليف |
الفولاذ المقاوم للصدأ، الفولاذ المدرفل على البارد المطلي بالمسحوق، الفولاذ المقاوم للصدأ المطلي بالمسحوق |
|
درجة الحماية |
IP650 للأماكن الخارجية |
|
نوع المغلف |
صندوق توزيع بباب واحد |
|
طريقة التثبيت |
مثبت على الحائط/قائم على الأرض (قابل للتخصيص) |
|
أبعاد المظلة (الطول * العرض * الارتفاع) |
قابل للتخصيص |
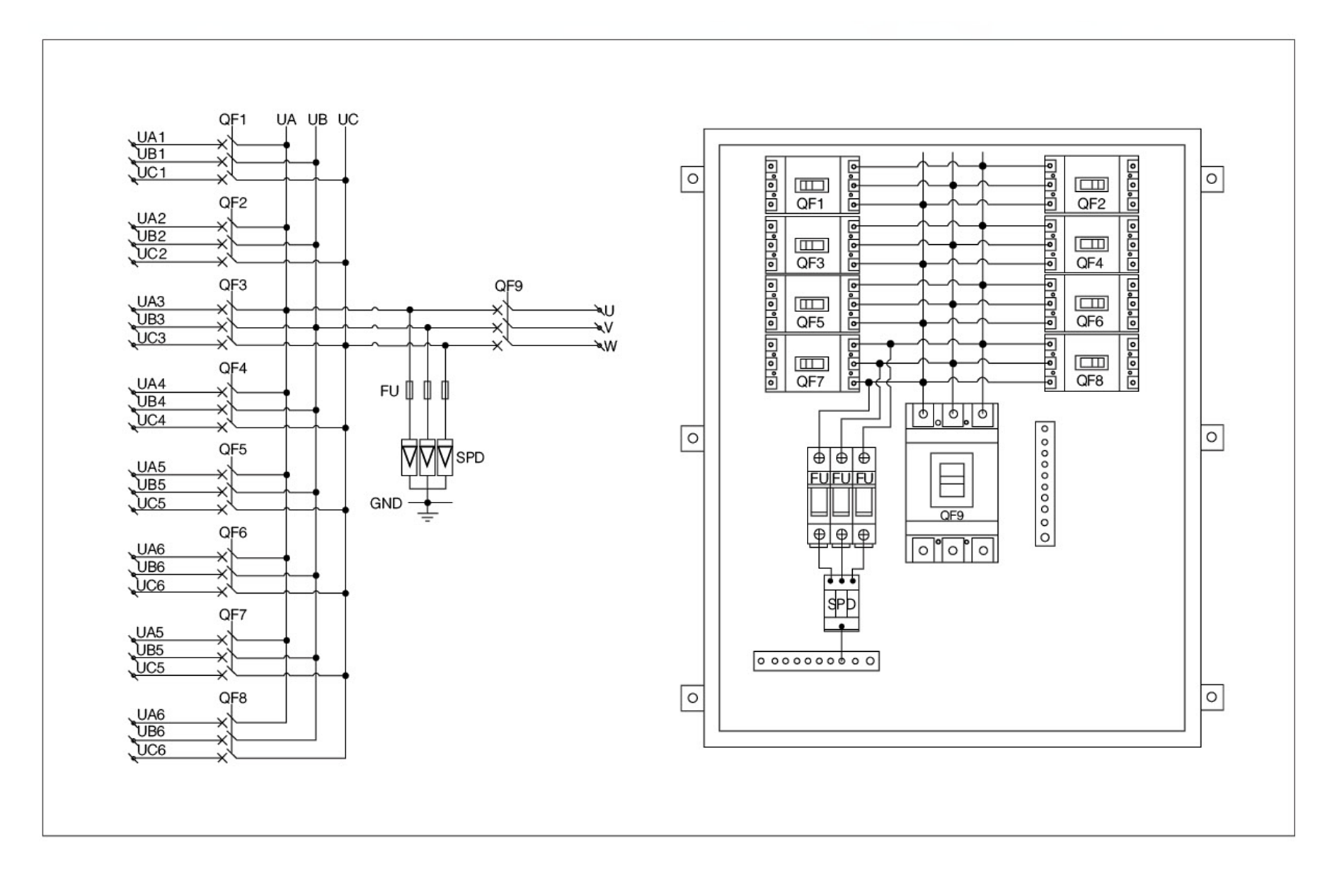
مخطط دائرة وخريطة تخطيط لخزانة القضبان AC من طراز HLX-AC 8/1


البريد الإلكتروني: [email protected]
العنوان:No. 2 Xinggu East Road, Xinggu Area A, Pinggu Park, Zhongguancun Science Park, Pinggu District, Beijing
البريد الإلكتروني: [email protected]
نتطلع للاستماع منك.
الهاتف:86-10-69929796
الوقت على الانترنت:9:00-18:00