Category
Product Categories

Product Details
AC combiner box
Overview
This product is primarily used for busbar connections in string inverters within centralized photovoltaic grid-connected power generation systems. It is connected between the string grid-connected inverter and the grid-connected metering cabinet. The product features lightning protection and system overcurrent protection. Its application greatly reduces the need for extensive long-distance cable transmission, lowering costs and improving system efficiency for users. The product has obtained industry standard certifications including CCC certification, CE certification, and ISO 9001 Quality Management System certification.
Key Features
All components utilize renowned domestic/international brands with authoritative certifications. with complete qualifications. Internal exposed live parts are protected by flame-retardant, anti-static, and high-temperature-resistant transparent cover plates. Incoming and outgoing circuit breakers are vertically installed and laid flat within the enclosure, with one-to-one wiring correspondence to prevent misconnection. Busbars use copper bus connections with anti-corrosion and anti-oxidation tin-plating treatment. Each phase line employs industry-standard color coding for clear visibility. Optional smart monitoring system (system voltage, busbar current, switch status, surge protection status); Suitable for various industry voltage levels: 380Vac, 480Vac, 540Vac; Rainproof cover design for outdoor installation. Supports customization for special requirements and functions.
Main Technical Parameters
|
Product Model |
FLX-AC |
|
Common String Inverter Power Ratings |
5, 10, 15, 20, 25, 30, 40, 50, 60, 80, 100, 110, 125, 175 kW |
|
Number of Inverter Input Channels |
1~N channels (customizable) |
|
Total AC Output Channels |
1 channel |
|
Busbar Requirements |
Single-phase, Three-phase Busbar |
|
System Voltage (Optional) |
AC: 220V, AC: 380V, AC: 540V, AC: 800V |
|
Branch Circuit (Optional) |
32A, 63A, 80A, 100A, 125A, 160A, 200A, 250A, 400A, 630A, 800A |
|
Switch Brand (Optional) |
Nicholas, Delixi, Chint, Changshu, ABB, Schneider |
|
Protection Functions |
|
|
Short-Circuit Protection |
Yes |
|
Overload Protection |
Yes |
|
Surge Protection |
Yes (Nominal Current: In: 20KA, Imax: 40KA, l Up≤ 4kV) |
|
Surge Protection Failure Protection |
Yes |
|
Environmental Suitability |
|
|
Temperature, Humidity |
Operating Temperature: -25 to +60°C Storage Temperature: -40 to +70°C Humidity: 0-90% (non-condensing, no corrosive or oily gases; specify if present) |
|
Product Model |
FLX-AC |
|
Safety Standards |
|
|
Copper Busbar Selection |
Pure Copper Busbar (Tin-Plated Industrial Grade) |
|
Safety Protection |
PVC Protective Cover |
|
Electrical Clearance |
≥14mm |
|
Creepage Distance |
≥25mm |
|
Insulation Resistance |
>20MΩ |
|
Insulation Voltage |
AC3000V, 1MIN |
|
Conventional Parameters |
|
|
Enclosure Material |
Stainless Steel, Powder-Coated Cold-Rolled Steel, Powder-Coated Stainless Steel |
|
Protection Rating |
Outdoor IP55 |
|
Enclosure Type |
Single-Door Distribution Box |
|
Mounting Method |
Wall-mounted/Floor-standing (customizable) |
|
Enclosure Dimensions (L*W*H) |
Customizable |
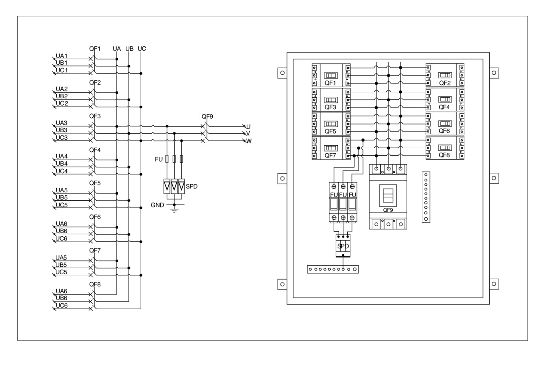
HLX-AC 8/1 AC Busbar Cabinet Circuit Diagram and Layout Diagram


E-mail: [email protected]
Address:No. 2 Xinggu East Road, Xinggu Area A, Pinggu Park, Zhongguancun Science Park, Pinggu District, Beijing
Email: [email protected]
Looking forward to hearing from you.
Phone:86-10-69929796
Online Time:9:00-18:00