
Caja de combinación de ca
Detalles del producto
Descripción general
Este producto se utiliza principalmente para conexiones de barras colectoras en inversores de cadena dentro de sistemas centralizados de generación de energía fotovoltaica conectados a la red. Se conecta entre el inversor de cadena conectado a la red y el gabinete de medición conectado a la red. El producto cuenta con protección contra rayos en la entrada y protección contra sobrecorriente del sistema. Su aplicación reduce la necesidad de una extensa transmisión de cables de larga distancia, disminuyendo costos e incrementando la eficiencia del sistema para los usuarios. El producto ha obtenido certificaciones estándar de la industria, incluyendo la certificación CCC, la certificación CE y la certificación ISO 9001 del Sistema de Gestión de Calidad.
Características principales
Todos los componentes utilizan marcas nacionales e internacionales reconocidas que cuentan con certificaciones autorizadas y calificaciones completas. Las partes vivas expuestas en el interior están protegidas por placas de cubierta transparentes retardantes de llama, antiestáticas y resistentes a altas temperaturas. Los disyuntores entrantes y salientes se instalan verticalmente y se colocan planos dentro del gabinete, con una correspondencia de cableado uno a uno para evitar conexiones incorrectas. Las barras colectoras utilizan conexiones de bus de cobre con tratamiento de estañado anticorrosión y antioxidación. Cada línea de fase cuenta con codificación de colores estándar de la industria para una clara visibilidad. Sistema opcional de monitoreo inteligente (voltaje del sistema, corriente de la barra colectora, estado del interruptor, estado de la protección contra sobretensiones); Apto para diversos niveles de voltaje industriales: 380Vac, 480Vac, 540Vac; Diseño de cubierta resistente a la lluvia para instalación en exteriores. Admite personalización para requisitos y funciones especiales.
Principales parámetros técnicos
|
Modelo de producto |
FLX-AC |
|
Clasificaciones de potencia comunes de inversores de corriente |
5, 10, 15, 20, 25, 30, 40, 50, 60, 80, 100, 110, 125, 175 kW |
|
Número de Canales de Entrada del Inversor |
1~N canales (personalizables) |
|
Canales de Salida AC Totales |
1 channel |
|
Requisitos de barra colectora |
Barra colectora monofásica, trifásica |
|
Voltaje del sistema (Opcional) |
AC: 220 V, AC: 380 V, AC: 540 V, AC: 800 V |
|
Capacidad del Interruptor de Circuito Secundario (Opcional) |
32A, 63A, 80A, 100A, 125A, 160A, 200A, 250A, 400A, 630A, 800A |
|
Marca del interruptor (Opcional) |
Nicholas, Delixi, Chint, Changshu, ABB, Schneider |
|
Funciones de protección |
|
|
Protección contra cortocircuitos |
Sí |
|
Protección contra sobrecarga |
Sí |
|
Protección contra sobretensiones |
Sí (Corriente nominal: In: 20 kA, Imax: 40 kA, l Up ≤ 4 kV) |
|
Protección contra fallas en la protección contra sobretensiones |
Sí |
|
Adecuación Ambiental |
|
|
Temperatura, Humedad |
Temperatura de operación: -25 a +60°C Temperatura de almacenamiento: -40 a +70°C Humedad: 0-90% (sin condensación, sin gases corrosivos ni aceitosos; especificar si están presentes) |
|
Modelo de producto |
FLX-AC |
|
Estándares de seguridad |
|
|
Selección de barras colectoras de cobre |
Barra colectora de cobre puro (grado industrial chapada en estaño) |
|
Protección de seguridad |
Cubierta protectora de PVC |
|
Aclaración Eléctrica |
≥14mm |
|
Distancia de fuga |
≥25mm |
|
Resistencia de aislamiento |
>20 MΩ |
|
Voltaje de aislamiento |
AC3000 V, 1 minuto |
|
Parámetros Convencionales |
|
|
Material del recinto |
Acero inoxidable, acero laminado en frío con recubrimiento en polvo, acero inoxidable con recubrimiento en polvo |
|
Calificación de protección |
IP650 para exteriores |
|
Tipo de envoltura |
Caja de distribución de una sola puerta |
|
Método de montaje |
Montado en pared/Piso (personalizable) |
|
Dimensiones del recinto (L * An * Al) |
Personalizable |
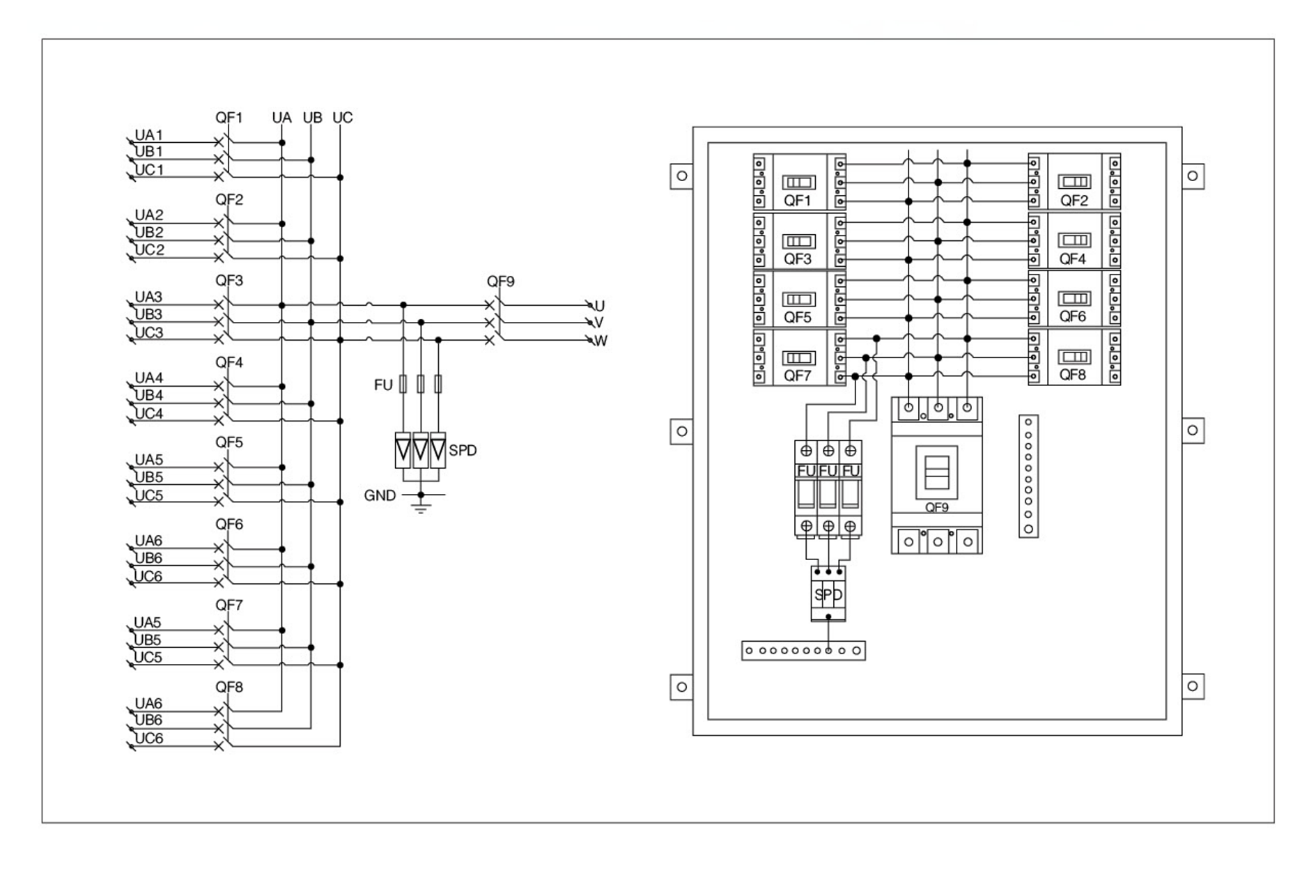
Diagrama de circuito y diagrama de disposición del gabinete de barra colectora HLX-AC 8/1 AC


Correo electrónico: [email protected]
Dirección:No. 2 Xinggu East Road, Xinggu Area A, Pinggu Park, Zhongguancun Science Park, Pinggu District, Beijing
Correo electrónico: [email protected]
Esperando escuchar de ti.
Teléfono:86-10-69929796
Tiempo en línea:9:00-18:00