
Détails du produit
Aperçu
Ce produit est principalement utilisé pour les connexions de barres collectrices dans les onduleurs à chaîne des systèmes centralisés de production d'énergie photovoltaïque raccordés au réseau. Il se connecte entre l'onduleur à chaîne raccordé au réseau et l'armoire de comptage raccordée au réseau. Le produit dispose d'une protection contre la foudre en entrée ainsi que d'une protection contre les surintensités du système. Son utilisation réduit le besoin d'une longue transmission par câble sur de grandes distances, ce qui permet de diminuer les coûts et d'améliorer l'efficacité du système pour les utilisateurs. Le produit a obtenu des certifications standards du secteur, notamment la certification CCC, la certification CE et la certification ISO 9001 pour le système de gestion de la qualité.
Caractéristiques principales
Tous les composants utilisent des marques nationales et internationales réputées, dotées de certifications reconnues. Avec des qualifications complètes. Les parties sous tension exposées à l'intérieur sont protégées par des plaques de couverture transparentes résistantes aux flammes, antistatiques et résistantes aux hautes températures. Les disjoncteurs d'entrée et de sortie sont installés verticalement et posés à plat à l'intérieur du boîtier, avec une correspondance filaire un à un pour éviter tout mauvais raccordement. Les barres omnibus utilisent des connexions omnibus en cuivre bénéficiant d'un traitement d'étamage anti-corrosion et anti-oxydation. Chaque ligne de phase adopte un codage couleur conforme aux normes industrielles pour une visibilité optimale. Système de surveillance intelligent en option (tension du système, courant des barres omnibus, état des interrupteurs, état de la protection contre les surtensions) ; Convient à divers niveaux de tension industriels : 380 Vac, 480 Vac, 540 Vac ; Conception de capotage étanche à la pluie pour une installation en extérieur. Possibilité de personnalisation selon des exigences et fonctions spéciales.
Principaux paramètres techniques
|
Modèle de produit |
FLX-AC |
|
Cotes de puissance courantes des onduleurs à courant |
5, 10, 15, 20, 25, 30, 40, 50, 60, 80, 100, 110, 125, 175 kW |
|
Nombre de canaux d'entrée de l'onduleur |
1 à N canaux (personnalisables) |
|
Nombre total de canaux de sortie CA |
1 channel |
|
Exigences en matière de barres omnibus |
Barre omnibus monophasée, triphasée |
|
Tension du système (Facultatif) |
AC : 220 V, AC : 380 V, AC : 540 V, AC : 800 V |
|
Capacité du disjoncteur de circuit secondaire (en option) |
32A, 63A, 80A, 100A, 125A, 160A, 200A, 250A, 400A, 630A, 800A |
|
Marque du commutateur (facultatif) |
Nicolas, Delixi, Chint, Changshu, ABB, Schneider |
|
Fonctions de protection |
|
|
Protection contre les courts-circuits |
Oui |
|
Protection contre la surcharge |
Oui |
|
Protection contre les surtensions |
Oui (Courant nominal : In : 20 kA, Imax : 40 kA, l Up ≤ 4 kV) |
|
Protection contre les surtensions |
Oui |
|
Adaptabilité environnementale |
|
|
Température, Humidité |
Température de fonctionnement : -25 à +60°C Température de stockage : -40 à +70°C Humidité : 0-90 % (sans condensation, sans gaz corrosifs ni huileux ; préciser en cas de présence) |
|
Modèle de produit |
FLX-AC |
|
Normes de sécurité |
|
|
Sélection de barre omnibus en cuivre |
Barre omnibus en cuivre pur (plaquée étain, qualité industrielle) |
|
Protection de la sécurité |
Couverture de protection en PVC |
|
Écartement électrique |
≥14mm |
|
Distance de dérapage |
≥25mm |
|
Résistance d'isolation |
>20 MΩ |
|
Tension d'isolation |
AC3000 V, 1 MIN |
|
Paramètres conventionnels |
|
|
Matériau d'enclosure |
Acier inoxydable, acier laminé à froid revêtu de poudre, acier inoxydable revêtu de poudre |
|
Classe de protection |
Extérieur IP650 |
|
Type d'enclosure |
Boîte de distribution à une porte |
|
Méthode de montage |
Murale/À poser au sol (personnalisable) |
|
Dimensions de l'enclos (L*l*H) |
Personnalisable |
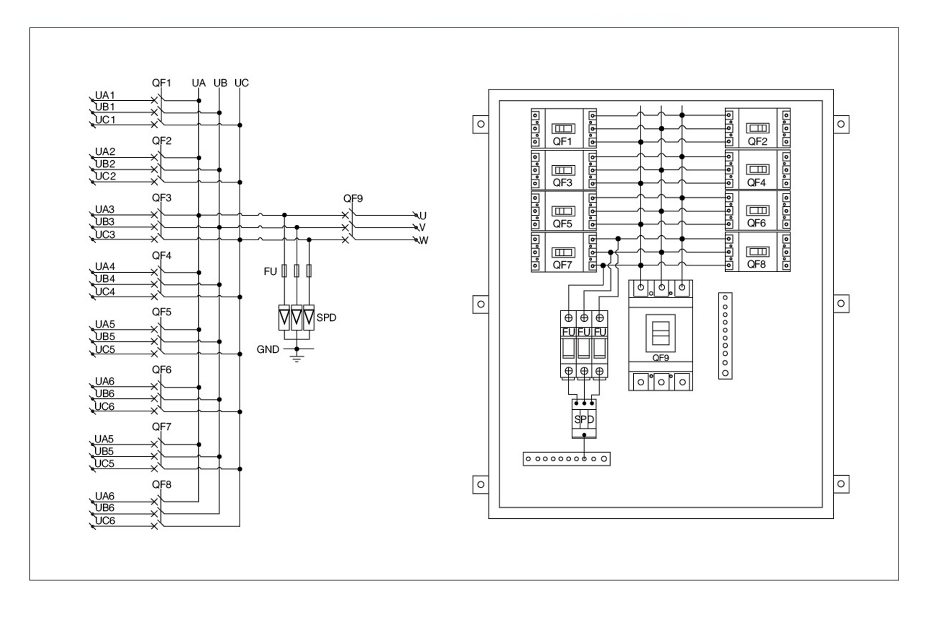
Schéma de circuit et schéma de disposition du coffret de barre omnibus HLX-AC 8/1 AC


E-mail: [email protected]
Adresse:N° 2, route de Xinggu Est, zone A de Xinggu, parc de Pinggu, parc scientifique de Zhongguancun, district de Pinggu, Pékin
Email: [email protected]
J'ai hâte d'entendre de vous.
Téléphone:86-10-69929796
Temps en ligne:9:00-18:00