Categoria
Categorias de Produto

Detalhes do Produto
Visão geral
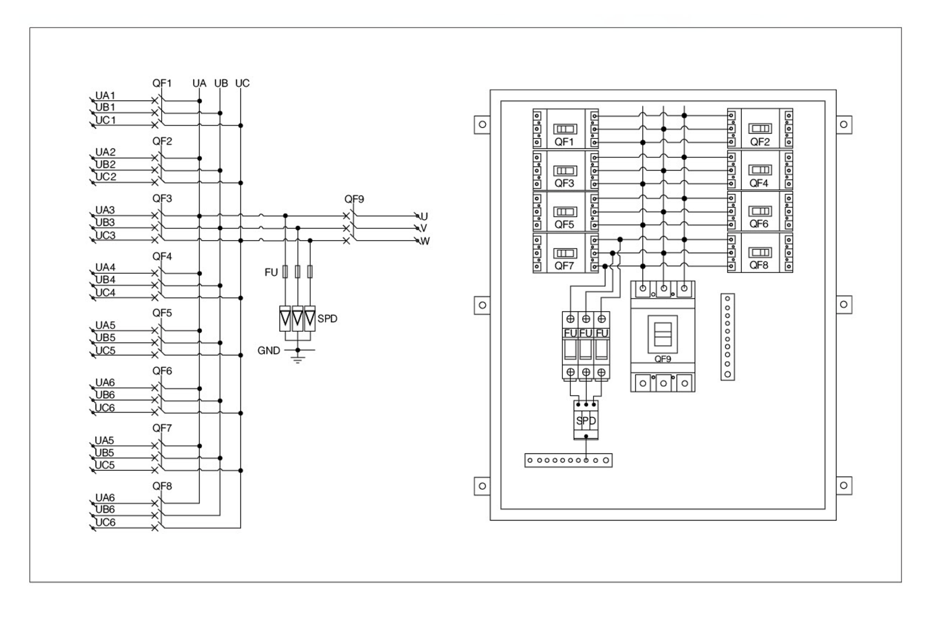
Este produto é utilizado principalmente para conexões de barramento em inversores de string em sistemas centralizados de geração de energia fotovoltaica conectados à rede. Ele é conectado entre o inversor de string conectado à rede e o armário de medição conectado à rede. O produto conta com proteção contra raios na entrada e proteção contra sobrecorrente do sistema. Sua aplicação reduz a necessidade de extensa transmissão de cabos de longa distância, diminuindo custos e melhorando a eficiência do sistema para os usuários. O produto obteve certificações padrão do setor, incluindo a certificação CCC, a certificação CE e a certificação ISO 9001 do Sistema de Gestão da Qualidade.
Principais Recursos
Todos os componentes utilizam marcas nacionais/internacionais renomadas, com certificações autorizadas e qualificações completas. As partes internas expostas que estão sob tensão são protegidas por placas transparentes resistentes ao fogo, antiestáticas e à alta temperatura. Os disjuntores de entrada e saída são instalados verticalmente e acomodados horizontalmente dentro do gabinete, com correspondência de fiação um a um para evitar conexões incorretas. As barras coletoras utilizam conexões em barra de cobre com tratamento de estanhagem anti-corrosão e antioxidante. Cada fase da linha conta com codificação de cores padrão da indústria para garantir clareza visual. Sistema opcional de monitoramento inteligente (tensão do sistema, corrente nas barras coletoras, estado dos interruptores, status da proteção contra surtos); Adequado para diversos níveis de tensão industriais: 380Vac, 480Vac, 540Vac; Design com tampa à prova d'água para instalação externa. Possui suporte para personalização de acordo com requisitos e funcionalidades especiais.
Principais Parâmetros Técnicos
|
Modelo do Produto |
FLX-AC |
|
Classificações de Potência Comuns do Inversor de String |
5, 10, 15, 20, 25, 30, 40, 50, 60, 80, 100, 110, 125, 175 kW |
|
Número de Canais de Entrada do Inversor |
1~N canais (personalizáveis) |
|
Canais de Saída AC Total |
1 channel |
|
Requisitos de Barramento |
Barra de barramento monofásica, trifásica |
|
Tensão do Sistema (Opcional) |
AC: 220V, AC: 380V, AC: 540V, AC: 800V |
|
Capacidade do Disjuntor de Circuito Ramificado (Opcional) |
32A, 63A, 80A, 100A, 125A, 160A, 200A, 250A, 400A, 630A, 800A |
|
Marca do Interruptor (Opcional) |
Nicholas, Delixi, Chint, Changshu, ABB, Schneider |
|
Funções de Proteção |
|
|
Proteção contra Curto-Circuito |
Sim |
|
Proteção contra Sobrecarga |
Sim |
|
Proteção contra Surto |
Sim (Corrente Nominal: In: 20 kA, Imax: 40 kA, l Up ≤ 4 kV) |
|
Proteção contra Falha de Proteção contra Surto |
Sim |
|
Adequação Ambiental |
|
|
Temperatura, Umidade |
Temperatura de Operação: -25 a +60°C Temperatura de Armazenamento: -40 a +70°C Umidade: 0-90% (sem condensação, sem gases corrosivos ou oleosos; especificar caso estejam presentes) |
|
Modelo do Produto |
FLX-AC |
|
Normas de Segurança |
|
|
Seleção de Barramento de Cobre |
Barra coletora de cobre puro (revestida com estanho, grau industrial) |
|
Proteção de Segurança |
Capa Protetora de PVC |
|
Limpeza Elétrica |
≥14mm |
|
Distância de Contato |
≥25mm |
|
Resistência de Isolamento |
>20 MΩ |
|
Tensão de Isolamento |
AC3000V, 1MIN |
|
Parâmetros Convencionais |
|
|
Material de Vedação |
Aço Inoxidável, Aço Laminado a Frio Revestido com Pó, Aço Inoxidável Revestido com Pó |
|
Classificação de Proteção |
IP650 ao ar livre |
|
Tipo de Enclausura |
Caixa de Distribuição de Porta Única |
|
Método de Montagem |
Montado na parede/Piso (personalizável) |
|
Dimensões do Recinto (C*L*A) |
Personalizável |
Diagrama de Circuito e Diagrama de Layout do Gabinete de Barramento AC HLX-AC 8/1


E-mail: [email protected]
Endereço:Rua Xinggu Leste, nº 2, Área Xinggu A, Parque Pinggu, Parque Científico de Zhongguancun, Distrito de Pinggu, Pequim
E-mail: [email protected]
Aguardando para ouvir de você.
Telefone:86-10-69929796
Tempo Online:9:00-18:00